Electronic Circuits and electronic circuits, electronic schematics plus an extensive resource for hobbyists, inventors and engineers

DiscoverCircuits.com, has 45,000+ electronic circuits, cross-referenced into 500+ categories.
We have searched the web to help you find quick solutions & design ideas.

Got Designs?
Please eMail
if you want me to link to and/or post your original design
NOTE:  We make every effort to link to original material posted by the designer. 
Please contact us if our link is not to your site!  Thanks.

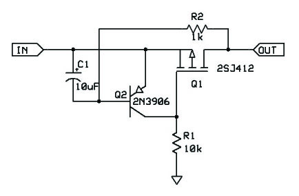
Simple Electronic Circuit Breaker
All materials and content contained on this page are the exclusive intellectual property of Andrew R. Morris and
may not be copied, reproduced, distributed or displayed without his express written permission.

This circuit uses the on-resistance of the MOSFET as the current sensor.  Reset it by removing the input power or the load.  The circuits draws no current unless tripped.

More:  Current MonitorsSafety CircuitsSolid State Relays

 

Click on Schematic to view PDF

Got Designs?
Please eMail
if you want me to link to and/or post your original design Thanks.


HOME Schematics Index Hobby Corner Dave's Circuits Contact Info
Imagineering Ezine Dave Johnson, P.E. Faraday Touch Switches


 About Us   |  Advertise on DiscoverCircuits.com   |   Report Broken Links  |   Link to DiscoverCircuits.com  |  Privacy Policy

Copyright  January, 1998 - June, 2021     David A. Johnson  All Rights reserved. 

 COPYING any content or graphics to your web site is EXPRESSLY PROHIBITED!