Electronic Circuits and electronic circuits, electronic schematics plus an extensive resource for hobbyists, inventors and engineers

DiscoverCircuits.com, has 45,000+ electronic circuits, cross-referenced into 500+ categories.
We have searched the web to help you find quick solutions & design ideas.

Got Designs?
Please eMail
if you want me to link to and/or post your original design
NOTE:  We make every effort to link to original material posted by the designer. 
Please contact us if our link is not to your site!  Thanks.

Sump Pump Controller, Corrosion Resistant
All materials and content contained on this page are the exclusive intellectual property of Andrew R. Morris and
may not be copied, reproduced, distributed or displayed without his express written permission.

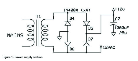
Every sump pump controller that I have seen on the web uses DC to sense the water.  This approach is simple, but eventually causes corrosion of he sensor probes due to the electrolysis.  The probes than have to be periodically cleaned or replaced.  This circuit solves the problem by using AC to sense the water in the sump.

Click for the remaining Circuit Description

More:  Water-Level Monitors Liquid-Level Sensing CircuitsWater Sensing Circuits

 

Click on Schematic to view PDF

Got Designs?
Please eMail
if you want me to link to and/or post your original design Thanks.


HOME Schematics Index Hobby Corner Dave's Circuits Contact Info
Imagineering Ezine Dave Johnson, P.E. Faraday Touch Switches


 About Us   |  Advertise on DiscoverCircuits.com   |   Report Broken Links  |   Link to DiscoverCircuits.com  |  Privacy Policy

Copyright  January, 1998 - June, 2021     David A. Johnson  All Rights reserved. 

 COPYING any content or graphics to your web site is EXPRESSLY PROHIBITED!