Electronic Circuits and electronic circuits, electronic schematics plus an extensive resource for hobbyists, inventors and engineers

DiscoverCircuits.com, has 45,000+ electronic circuits, cross-referenced
into 500+ categories.    We have searched the web to help you find quick design ideas.
We make every effort to link to original material posted by the designer. 
Please let us if you would like us to link to or post your design.

HOME Schematics Index Hobby Corner Dave's Circuits Electronic Resources Contact Info
Imagineering Ezine    Discover Solar Energy Dave Johnson & Associates Faraday Touch Switches


Circuits designed by David Johnson, P.E.
Last Updated on: Saturday, December 23, 2017 03:21 PM

List of Dave's Circuit Designs

The contents & graphics of Discovercircuits.com are copyright protected.
LINKING to Dave's circuits is permitted but DO NOT COPY any files to your WEB SITE server



More  Light Detectors

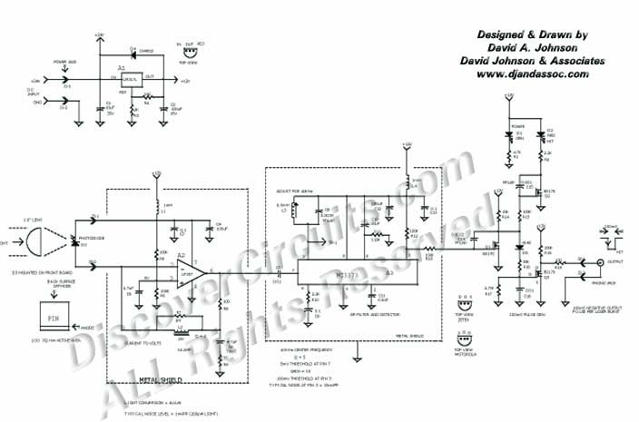
40KHz LASER BURST DETECTOR
 

This circuit was originally designed to detect weak flashed of laser light bounced off of a fabric video projection screen. It was used as part of a firearm training system. It generates a 100mS output pulse whenever it detects a 3ms to 5ms laser burst, modulated at 40KHz. It is very sensitive and could be modified for long range laser communications.

Click on Drawing Below to view PDF version of Schematic

Circuit 40KHZ Modulated Laser Light Detector Circuit designed by David Johnson, P.E.

More  Light Detectors

List of Dave's Circuits
Dave's Circuits with Descriptions
Dave's Circuits by Category



eMail David A. Johnson, P.E. about this circuit


HOME Schematics Index Hobby Corner Dave's Circuits Electronic Resources Contact Info
Imagineering Ezine    Discover Solar Energy Dave Johnson & Associates Faraday Touch Switches


 About Us   |  Advertise on DiscoverCircuits.com   |   Report Broken Links  |    Link to DiscoverCircuits.com  |    Privacy Policy


Copyright  January, 1998 - December, 2017     David A. Johnson & Associates.  All Rights reserved. 


 Linking is ALLOWED but COPYING any content or graphics to your web site is EXPRESSLY PROHIBITED.