Electronic Circuits and electronic circuits, electronic schematics plus an extensive resource for hobbyists, inventors and engineers

DiscoverCircuits.com, has 45,000+ electronic circuits, cross-referenced
into 500+ categories.    We have searched the web to help you find quick design ideas.
We make every effort to link to original material posted by the designer. 
Please let us if you would like us to link to or post your design.

HOME Schematics Index Hobby Corner Dave's Circuits Electronic Resources Contact Info
Imagineering Ezine    Discover Solar Energy Dave Johnson & Associates Faraday Touch Switches




Circuits designed by David Johnson, P.E.
Last Updated on: Saturday, December 23, 2017 03:21 PM

Master Category List - Dave's Circuits

The contents & graphics of Discovercircuits.com are copyright protected.
LINKING to Dave's circuits is permitted but DO NOT COPY any files to your WEB SITE server

More  Control Circuits   H-Bridge Circuits    
Motor Control Circuits

Low Voltage H-bridge


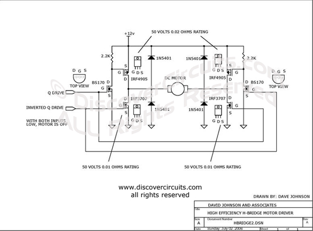
TTL type Q and inverted Q inputs control a classic H-bridge circuit, rated at 50 volts and about 10 Amps.  The circuit can control power and direction of a DC motor.

Click on Drawing Below to view PDF version of Schematic

Circuit Low Voltage H-bridge Circuit designed by David A. Johnson, P.E. (July 2, 2006)


More  Control Circuits   H-Bridge Circuits    
Motor Control Circuits

List of Dave's Circuits
Dave's Circuits with Descriptions
Dave's Circuits by Category

eMail David A. Johnson, P.E. about this circuit

 


HOME Schematics Index Hobby Corner Dave's Circuits Electronic Resources Contact Info
Imagineering Ezine    Discover Solar Energy Dave Johnson & Associates Faraday Touch Switches


 About Us   |  Advertise on DiscoverCircuits.com   |   Report Broken Links  |    Link to DiscoverCircuits.com  |    Privacy Policy


Copyright  January, 1998 - December, 2017     David A. Johnson & Associates.  All Rights reserved. 


 Linking is ALLOWED but COPYING any content or graphics to your web site is EXPRESSLY PROHIBITED.