|
DiscoverCircuits.com -- Hobby Corner
Last Updated on:
Tuesday, June 01, 2021 03:06 PM
Hobby Circuits List
The contents &
graphics of Discovercircuits.com are copyright protected.
LINK to Dave's circuit, but DO NOT COPY any files to your WEB
SITE server |
 |
|
|
|
|
|
|
More
Gadgets |
|
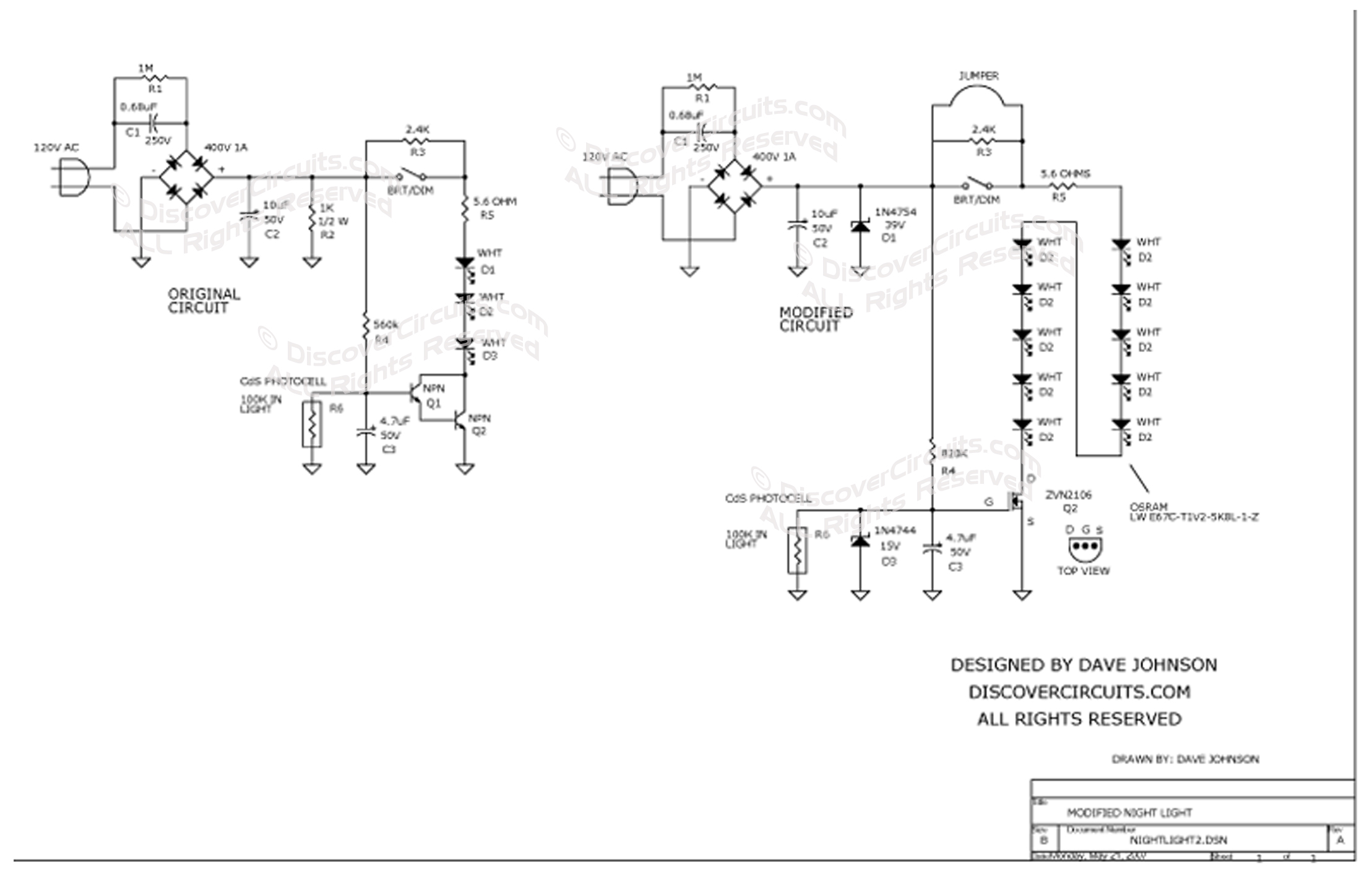
Modified LED Night Light
designed
by David A. Johnson, P.E. |
| I bought some night
lights a few months ago from Walmart here in Denver. The devices were made by
Elumina Lighting Technologies Inc. (www.eluminalighting.com), their model LED-6200A.
I think I paid about $15 for a pack of three lights. I wanted a light which used
LEDs instead of the usual 4 watt incandescent lamp. The 4 watt lamps used in
the typical night lights always seem to burn out after 3 months or so. |
|
| I
use the lights to illuminate a dark hallway and provide some light into the master
bathroom. In theory, a LED light should last for 10 years or so. But, as I found
out, the original Chinese made unit from Walmart didn’t last but three months. |
|
The Walmart night light looks a bit like
a computer mouse. It has a pushbutton switch, to switch between a dim and a
bright setting. It also has a CdS photocell, which turns off the device during
the day. Inside were three white LEDs, wired in series. When I first plugged
the device in, it seemed to emit an acceptable amount of light. But, after
only three months, the light gradually faded until it was virtually useless. This
has happened to me several times before with other lights I have tried and results
from the use of cheap inferior white LEDs, which have phosphors that quickly fade. I
decided to open the thing up. I traced out the circuit and determined it was
the kind of circuit which I could easily modify. I made some component value
changes and pulled out the three dim LEDs. I then replaced the three LEDs with
10 high quality super bright surface mounted units, which I soldered together into
two strips of 5 LEDs each. |
|
The LEDs I chose were made by Osram Opto, their model
LW-E67C-T1V2-5K8L-1-Z. I bought 30 LEDs through Digikey, so I could modify three night
lights. I paid about $1.00 each for the LEDs. The result was very pleasing. The
light now emits a nice bright white light and since I used quality white LEDs, it should
last many years. In the photo below, note the difference in the light output
before and after I made the changes. Also note the original and the modified
schematics. |
| The
circuit uses the classic series capacitor method to produce a current limiting LED
driver, powered from the AC line. The series capacitor forms a constant current
source and will route the same amount of current through the parts, even if 3 or 30 LEDs
were used in series. This type of circuit made it much easier to insert 10 series
wired LEDs instead of the three original devices. I also switched from a NPN
darlington driver circuit to a single n-channel FET. This made it easier to select the
right resistor value to turn off the light in the day. I set the required CdS cell
resistance at about 100K, so anything less than that in resistance should keep the LEDs
turned off. I did have to change the resistor R2 to a 39v zener diode, to limit
the peak voltage across the filter capacitor C1, when the LEDs are turned off during
daylight. |
 |
 |
 |
Front View
|
Side View
|
Before Modification -- After Modification
|
 |
 |
 |
| |
|
|
| |
|
|
| |
|
|
|
|
|
Click on Circuit Below to view PDF of Schematic |
|
 |
|
|
|
More
Gadgets
Hobby Circuits List
eMail David A.
Johnson, P.E. about this circuit |
|
|