Electronic Circuits and electronic circuits, electronic schematics plus an extensive resource for hobbyists, inventors and engineers

DiscoverCircuits.com, has 45,000+ electronic circuits, cross-referenced into 500+ categories.
We have searched the web to help you find quick solutions & design ideas.

Got Designs?
Please eMail
if you want me to link to and/or post your original design
NOTE:  We make every effort to link to original material posted by the designer. 
Please contact us if our link is not to your site!  Thanks.

 

Current Regulators
by
Andrew R. Morris   morr3763@bellsouth.net

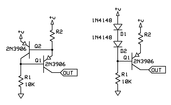
I have been asked a couple times about constant current regulators. Here are a couple simple ones. 

Set R2 on both circuits for 0.6 volts at the desired current. Select Q1 and select R1 according to the amount of current you would like to source or limit.

 If you want a controlled current sink (pull down), swap +V and ground and use NPN transistors, such as 2N3904. The first circuit (with the second transistor) will control the current more precisely. For 6mA output current, R2 would be 0.6V divided by 6mA or 100 ohms.

 R1 is extremely non-critical. Its purpose is to limit the current through Q2 or D1 and D2 to reasonable levels with the particular voltage source; in this case, 9 volts. The current through R1 needs to be at least the current through R2 divide by the minimum beta of Q1 which is 100. I'd add a little extra current to keep some current flowing in D1 and D2 or Q2. For example, the maximum resistance for R1 in this case would be calculated as follows:

 Assume +V is 9V, and the desired current limit is 6ma.

Voltage drop across R1 is 91.2 or 7.8 volts.

Base current of Q1 (and minimum current through R1) is 6mA (desired current limit) divided by 100 equals 0.06mA. I would add an extra 1mA to ensure proper operation of Q1 or D1 and D2. To calculate R1 would be 7.8 divide by 1.06ma or 7.36K. The nearest standard lower value is 6.8K. If the 9V power supply is going to vary (such as a battery), use the minimum usable battery voltage in your calculations.

 Q1 in the first circuit may be replaced with a MOSFET, allowing an extremely high value for R1, such as 1 megohm. In this case, R1 can be as high as possible that will not be sensitive to interference, or reduce the frequency response below requirements. A MOSFET for Q1 is most attractive at high current levels, because current through R1 can be a big waste of power if Q1 is a bipolar transistor.

 

 

HOME Schematics Index Hobby Corner Dave's Circuits Contact Info
Imagineering Ezine Dave Johnson & Associates Faraday Touch Switches


 About Us   |  Advertise on DiscoverCircuits.com   |   Report Broken Links  |    Link to DiscoverCircuits.com  |    Privacy Policy

Copyright  January, 1998 - June, 2021     David A. Johnson  All Rights reserved. 
 Linking is ALLOWED but COPYING any content or graphics to your web site is EXPRESSLY PROHIBITED.