|
 |
|
|
|
|
|
|
|
Wily Widget at Work
Home Power Monitor --
November 5, 2012 |
 |
Things had
been rather slow at the Widget household for the last few months. So Wily decided he
was going to build something for himself. He had been considering the installation
of a complete solar power system for his home. But, to gather information on his
peak power and energy usage, Wily needed a means to monitor the power drawn by all the
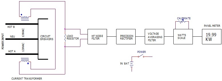
electrical stuff in his home. Wily’s plan was to first buy a couple commercial
clip-on current transformers and install them inside his home’s circuit breaker box.
One transformer would be clipped onto one of the hot wires leading into the breaker box
and a second one would be clipped onto the second hot wire. The outputs of the two
transformers would be combined, and then routed to a load resistor, inside a plastic box
with a 9v battery compartment. |
| The AC
voltage appearing across the resistor would then be proportional to the AC current.
Wily would feed that voltage to a high frequency filter, which would remove much of the
higher frequencies associated with compact fluorescent lamps and switching power supplies,
leaving only the 60Hz AC. The signal would then be fed to a precision rectifier and
an averaging circuit. The resulting DC voltage, would be proportional to the total
AC current, flowing through both power lines coming into his house. Since the power
line voltage was a steady 120vac, Wily could scale the voltage so it would represent AC
power. A current of 10 Amps through both wires could then be scaled to produce 0.24v.
Using a digital panel meter with a 10:1 attenuator, forming a 200mv full scale, he could
then display up to 20KW of power. |
|
Wily would power the complete
monitoring circuit with a 9v battery. A simple toggle switch could turn on the
monitor for taking power readings, any time Wily wished. Later, the scaled voltage
could be connected to a wireless computerized data acquisition system, so Wily could
record daily usage. The data collected should help Wily define any future solar power
system. |
 |
 |
 |
|
Circuit Breaker Box |
Clip-on Current Transformer |
|
|
|
 |
 |
|
Project Box with 9v Battery Compartment |
Digital Panel Meter |
|
| |
|
 |
|
|
|